 |
Установка противотуманных фар на хэтчбек
Что необходимо: 1. Подрулевой переключатель с включением противотуманок (93415 2 F 010)
2. Левая и правая противотуманная фара (92201 2 F 200 и 92202 2 F 200) номера приведены для хэтчбэка у седана они другие
3. 2 разъёма под патрон HB4
4. Провод сечением не менее 0. 8 мм ~4 метра 5. Черный гофр 8-10 мм ~2-2. 5 метра 6. Черные пластиковые хомуты для крепления проводки 7. Клемма (2. 5-3 мм) для разъёма в блоке реле
8. 2 клеммы для подвода массы к фарам (под болт на 13)
9. Черные термоусадочные трубки различного диаметра 10. Набор головок (7, 10, 12, 13) 11. Крестовая отвертка 12. Паяльник со всеми сопутствующими материалами 13. Строительный фен
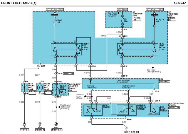
Принципиальная схема:
В первую очередь устанавливаем новый подрулевой, установка очень проста
снимаем «обшивку» рулевой колонки (внизу два самореза), затем откручиваем также два самореза которые крепят Подрулевой, снимаем старый и ставим новый. Сборка осуществляется в обратном порядке. После установки у нас уже готов «участок» от подрулевого до блока реле. Т. е. включив ближний свет и включив противотуманки, на панели приборов загорится лампа включения противотуманок, а в блоке реле включиться реле противотуманок.
Теперь самое сложное, т. е. надо сделать проводку от блока реле к фарам и установить сами фары. И так снимаем аккумулятор т. к. помимо безопасности без него гораздо проще прокладывать проводку. Разбираем блок реле (к сожалению забыл сфотографировать). При снятой крышке видны четыре болта, которые крепят разъёмы к блоку, их максимально выкручиваем и опускаем вниз, далее «отщелкиваем» блок и поднимаем его наверх. Внизу видим 4 разъёма, нас интересует тот который ближе всех к бамперу. На схеме JE01 в самом разъёме нам нужен 32 контакт
На его место устанавливаем клемму 7 к которой уже подсоединены 2 конца провода 4. После этого одеваем на эти два провода гофр 5 и собираем блок в обратном порядке. Проводка будет выглядеть так:
верхняя платфрма с реле:
блок с разъемами (нам нужна самая крайняя колодка черного цвета):
чтобы вставить новую клемму, надо сначала вынуть эту зеленую заглушку:
вид колодки сзади:
вставляем нашу новую клемму (обведена кружочком):
вставлять надо в третий ряд третьей строки:
Результат хэтч и седан:
Снимаем накладку бампера, точки крепления см. здесь:
Окончательно собираем и прокладываем проводку (клеммы 8 для массы я подключил к креплению усилителя бампера):
Устанавливаем фары в наладку бампера:
Подключаем фары и собираем все в обратном порядке. Устанавливаем аккумулятор и в принципе все готово
Остается только отрегулировать фары, вот пятно на стене (еще до установки)
вот после
Автор статьи Tarantino Статья публикуется с разрешения автора.
10.04.2007 |
|
 |